Ошибки подключения

Параллельное подключение является ошибкой При самостоятельной коммутации начинающие электрики и домашние мастера часто допускают ряд ошибок:
- Неправильное соединение фазы с нулем. Проходной выключатель разрывает только фазу. Неправильную схему без затрагивания проводки проходного выключателя, управляемого с 3 мест, исправляют путем перекоммутации проводов в распредкоробе.
- Нарушение последовательности фазы и нуля. О проблеме сигнализируют нерабочие в одном положении выключатели.
- Двухклавишник установлен правильно, но не работает. По ошибке был приобретен стандартный переключатель, который при наличии чека заменят в магазине.
- Подключение линии на провод с неправильным сечением. Четвертая жила кабеля имеет диаметр, на 1/3 меньше, чем у остальных. Она не подсоединяется к фазе, а только на контур заземления.
- Параллельное подключение. При организации промежуточного управления применяют только последовательную схему с пропусканием одной и той же фазы.
Подключение тумблера с подсветкой в сеть:
Подключаются тумблера с подсветкой при помощи автомобильных конвекторов или путём припаивания проводов к их выводам, но это не самое сложное и наверняка всем известно. Но многие начинающие радиолюбители часто не знают, с какой стороны подступится к тумблеру с подсветкой и как его правильно включить.
Во-первых, вам необходимо просто посмотреть по справочнику тип и назначение выводов вашего тумблера. Во-вторых, достаточно просто прозвонить тестером ваш тумблер, что бы понять, что к чему и как размыкается, переключается.
После того как вы выяснили какой вывод за что отвечает главное правильно включать тумблер в вашу цепь рисунок №2.
Рисунок №2 – Правильное включение тумблера с подсветкой в сеть питания (паяльника на пример)
Как видно из рисунка №2 тумблер включён таким образом, что бы разрывать фазовый провод, и так что бы при коммутации цепи (замыкании контакта) загоралась его внутренняя подсветка.
P.S.: Я постарался наглядно показать и описать не хитрые советы. Надеюсь, что хоть что-то вам пригодятся. Но это далеко не всё что возможно выдумать, так что дерзайте, и штудируйте сайт https://bip-mip.com/
Задача:Как подключить кнопку между батарейным отсеком иArduino UNO R3,
либо между моторчиком и Arduino UNO r3
Что есть в наличии:
- Battery UPS 12240 6 F2 (12 V 240W/Pcs/9.6V/5Min)
- Моторчик: BRS-550SH DC 12V
Кнопка
Нужно разобрать как подключить кнопку, чтобы при включении включался моторчик.
- Где изображение черточки — это «Плюс»
- Где изображение кружочка — это «Минус»
Итого: от батарее плюс идет к контакту черточки, а минус идет к любому контакту моторчика (изменяя подключение к моторчику меняется и сторона вращения вала), затем от свободного контакта моторчика подключение идет к контакту кружочка на кнопке.
Цепь разомкнута:
Цепь замкнута
Отлично с этим двухклавишным выключателем я разобрался.
Теперь как собрать следующую схему:
Arduino UNO R3 + Кнопка/Выключатель/Тумблер + батарейный отсек.
Когда кнопкой я замкнул цепь на плате Arduino UNO R3 должен зажигаться светодиод.
Разъем по центру — это подключение к плюсу
Схема работы тублера:
Тумблер отличается только тем, что у него фиксированные положения, а у тактовой кнопки — нет. Всё остальное идентично — контакты либо замыкаются, либо размыкаются… Включить тумблер — это тоже самое, что нажать и удерживать тактовую кнопку.
А вот третью ногу которая не используется лучше заизолировать, т. к. она включает цепь помимо выделенной.
подключая Arduino UNO R3 через тумблер к батарейки следует проверить прежде всего что напряжение у внешнего источника питания не выходит за рамки 7-12В (я использовал батарейку формата «Крона» или два аккумулятора: 18650 по 3.7V. Дабы не спалить плату.
Если подключаете бокс для аккумуляторов 18650, и он у Вас на три батарейки, то подключая к примеру 2 из 3 отсек работать не будет (у меня во всяком случае так было), а вот если три аккумулятора то и по нагрузке для Arduino UNO R3 (3.7 * 3 = 11.1) я прохожу.
Итого все работает. Я разобрал тему которая у меня возникла в ходе работы с платой Arduino и электричеством в целом. Правильнее когда ты Сам ставишь себе задачи и ищешь пути их решения, а не постоянно спрашивает у кого-то что и как, да можно спросить но чтобы Вам не разжевывали все от и до, а Вы сами могли дойти до этого. Как и делаю собственно я сам. На этом я прощаюсь, с уважением автор блога Олло Александр aka ekzorchik.
Такая разновидность переключателей применяется на лицевых панелях в качестве комплектующих изделий различного электрооборудования в измерительных приборах, блоках питания, электроустановках на различных производствах, легковых и грузовых автомобилях, поездах и многих других местах. Отличительной особенностью тумблера является перекидной переключатель, принцип действия которого основан на его перемещении в одну из позиций. Для переключения в нужное положение требуется приложить некоторые усилия. Монтаж осуществляется без применения винтов на плоских панелях толщиной от 0. Подключение контактов осуществляется с помощью плоских клемм, либо с помощью пайки.
Поиск данных по Вашему запросу:
Схемы, справочники, даташиты:Прайс-листы, цены:Обсуждения, статьи, мануалы:
Перейти к результатам поиска >>>
ПОСМОТРИТЕ ВИДЕО ПО ТЕМЕ: Как подключить Переключатель с подсветкой
Схемы подключения выключателей
Существует много приемлемых схем, каждая из которых имеет свои плюсы и свои минусы. Разобраться в существующих схемах подключения светодиодной подсветки в выключатель не сложно.
Например, выключатель с подсветкой, схема подключения которого представлена ниже.
Когда выключатель находится в положении «Выключено», то ток проходит через сопротивление (R1-любое, в диапазоне от 100 до 150 кОм). После сопротивления он проходит через VD2 (светодиод, который при этом светится). Для того чтобы защитить светодиод от напряжения, ставим диод VD1. Особенно хорошо светит при такой схеме подключения резистор с током 3 мА. Если же окажется, что светодиод светится слабовато, то следует уменьшить номинал сопротивления. Светодиод и диод в этой схеме подойдут любые. Можно и самому рассчитать необходимые параметры резистора. Достаточно всего лишь вспомнить классический закон силы тока.
Рассмотрим еще один выключатель с подсветкой, схема подключения которого крайне проста, но с небольшим недостатком. Дело в том, что она потребляет около 1 киловатта в месяц.
Направленные вниз концы подключаем к клеммам. Если в доме нет паяльника, или по какой-то причине нет желания возиться с этим, то эта схема подходит идеально. Она выполнена на скрутках. Хотя, из соображений безопасности и долговечности прибора, места соединения все же лучше пропаять, а резистор хорошенько заизолировать.
Подключение кнопки Ардуино
Включение и выключение светодиода с помощью кнопки
Давайте начнем с самого простого способа подключения тактовой кнопки. Рассмотрим схему с Arduino в качестве источника питания, светодиода, ограничительного резистора номиналом 220 Ом и кнопки, которая будет замыкать и размыкать цепь.
При подключении кнопки с двумя парами ножек важно правильно выбрать размыкающие контакты. Посмотрите на изображение внимательно: пары ножек расположены по бокам кнопки
Сама кнопка квадратная, но расстояния между парами контактов визуально заметны: можно сразу выделить два на одной стороне и два а другой. Так вот, именно между одной «парой» на стороне и будет реализован выключатель. Для включения в схему мы соединяемся с одним и с другим контактом, между которыми минимальное расстояние. Вторая пара контактов просто дублирует первую.
Если у вас переключатель другого типа, то можете смело выбрать контакты с противоположных углов (на некоторых кнопка делается специальный знак в виде выемки, по которому можно определить, с какой стороны расположены спаренные контакты). Самый надежный способ определить правильные ножки – это прозвонить контакты тестером.
Сама схема с кнопкой, светодиодом и контроллером Arduino не нуждается в особых пояснениях. Кнопка разрывает цепь, светодиод не горит. При нажатии цепь замыкается, светодиод включается. Если вы перепутаете контакты (включите через замкнутые спаренные контакты кнопки), то кнопка работать не будет, потому что цепь никогда не разомкнется. Просто поменяйте контакты местами.
Подключение кнопки с подтягивающим резистором
Давайте теперь подключим кнопку к ардуино так, чтобы можно было считывать в скетче ее состояние. Для этого воспользуемся следующей схемой.
В скетче мы будем отслеживать факт нажатия и выводить сообщение в монитор порта. Более интересный пример и подробное объяснение самой схемы мы приведем чуть позже.
Следует обратить внимание на сопротивление 10 К, которое мы добавили в этой схеме. Более подробно о его предназначении мы поговорим позже, просто имейте в виду, что такой резистор необходим для правильной работы схемы
Скетч для кнопки ардуино с подтягивающим резистором:
Многопозиционные коммутаторы модульного типа
Кулачковый пакетный переключатель — наиболее распространенный тип данных устройств, как и другие коммутаторы, он применяется для управления различными видами электрических нагрузок.
Кулачковые переключатели
Сфера применения кулачковых коммутаторов довольно обширна, приведем несколько примеров их использования:
- коммутационные щиты управления переменным и постоянным током;
- системы аварийного выключения, автоматического ввода резерва, переключения режимов работы электродвигателей;
- управление трансформаторными подстанциями и освещением;
- оборудование для подстанций (управление заземлителями, секционными выключателями, разъединителями и т.д.);
- переключение режимов нагревательного оборудования (включение, выключение, переключение электронагревательных элементов нагрузки);
- выбор режима работы электросварочного оборудования и т.д.
Кулачковые переключатели состоят из нескольких пакетов (каждый из которых отвечает за коммутацию одной линии), помещенных в один корпус. На нижнем рисунке показано устройство такого пакета.
Пакет кулачкового коммутатора
Обозначения на рисунке:
- a — зафиксированные контакты (4 шт.), к которым подключаются провода;
- b – специальный выступ «кулачек», который позволяет удерживать и перемещать шток;
- c – группа передвижных контактов (в данном типе их две);
- d – два направляющих паза (позволяют штоку совершать поступательные движения);
- e – покрытые изолирующей оболочкой два штока;
- f – контакты (8 шт.), как правило, изготовленные из сплава, содержащего серебро;
- g – пакет;
- h – две резьбовых шпильки (фиксируют пакет и крышку);
- I – ротор;
- J – четыре пружины (возвращают шток в замкнутое положение);
- k- соединяющий рукоять с ротором вал;
- l – четыре винта для зажима проводов кабеля.
Заметим, что пакетный рубильник (кулачковый коммутатор) может быть на несколько положений, включая нулевое, то есть когда контакты разъединены. На рисунке показано состояние коммутатора в нейтральном положении.
Схематическое изображение переключателя в нулевом положении Коммутатор ABB в режиме нулевого положения
Заметим, что все основные характеристики коммутаторов указываются на корпусе устройств, там отображаются:
- тип коммутатора;
- номинальный ток, на который рассчитан переключатель;
- схема и таблица коммутации;
- класс защиты.
Ниже показана схема и таблица коммутации, изображенная на корпусе переключателя направления вращения SPAMEL.
Схема и таблица коммутации переключателя SPAMEL
Благодаря такой таблице наглядно видно, в каком положении, какие группы контактов соединяются.
Тумблер 12V 25А, 30А (3с) ON- (OFF) черный с подсветкой
Уважаемые форумчане, спасите от разрушения мозг. Весь день сегодня пытался подключить на «Пилот» самодельный вот такой вот выключатель. Два контакта у него белые звонятся на вкл-выкл и один желтый. Задача чтобы при положении «вкл.
Я пробовал подключить его по крайним клеммам, тогда светодиод подсветки горит непродолжительное время только при наличии нагрузки, а затем переходит в «тлеющее» состояние. Другие комбинации, до которых смог додуматься привели в одном случае к КЗ и выгоранию светодиода, а в остальных к нулевой реакции. Пока сделал его простым тумблером, подключив на два белых контакта разрыв фазы, но уж очень хочется чтобы работала подсветка, тем более, что выключателей такого типа сейчас много и наверняка понадобится ставить еще куда либо.
Madman написал : чтобы при положении «вкл. У меня в результате моих вчерашних опытов появился «полутруп» — силовые контакты работают, а подсветка сгорела.
Произвел вскрытие полутрупа. Вот фото. Устроено все просто: два силовых белых контакта замыкаются между собой качалкой, которая приводится в действие подпружиненным штифтом в кнопке. Он же является одним из контактов неонки. Второй контакт неонки выведен тонким проводком по пазу кнопки и замыкается в одном из положений на желтый контакт выключателя. Внутри кнопки видны закопченые руины того что было неонкой.
Следов балластного сопротивления не обнаружил. Видимо полностью сгорело. Вполне возможно что резистор был угольным, китайцы это любят, я такие встречал в ихнёвых индикаторных отвертках. Возможно именно поэтому столь много копоти образовалось. На последнем фото аналогичный выключатель установленный на кожухе настольной лампы, о чем писал ранее. Madman написал : было неонкой.
По просьбе нашего форумчанина выкладываю фото выключателя с разных ракурсов и фото колодки, куда я его врезал. Так пока и не разобрался что к чему.
Управление освещением с трех мест и более
Нередки ситуации, когда в жилых помещениях большой площади возникает потребность управлять освещением сразу из нескольких точек. Для создания системы многоточечного управления, позволяющей подключать и выключать свет из 3-х мест одновременно, установки одних проходных переключателей обычно недостаточно.

Для этих целей потребуется интегрировать в схему еще один элемент – перекрестный выключатель, который подключается в разрыве двухжильного провода (то есть между проходными приборами).
Если в прежние времена допустимость монтажа таких схем обуславливалась в основном планировкой помещений, то сегодня они встречаются практически повсеместно. Монтаж проходных выключателей этого типа – совсем непростое занятие. Прежде всего, потребуется ознакомиться с принципом его работы.
Принцип работы перекрестного переключателя (выключателя)
Конструкция переключателя предусматривает наличие четырех контактов, из которых два подсоединяются к клеммам одного переключателя и еще два – ко второму прибору.

Эти устройства при таком включении выполняют особые (транзитные) функции, поскольку являются в определенной степени переходными.
Наглядно посмотреть принцип работы перекрестного переключателя Вы можете на Gif-картинке, расположенной ниже.

Схема подключения проходного выключателя для управления из 3х мест
Схемное изображение подключения 2-х проходных и одного перекрестного переключателя представлено на рисунке.

Из него хорошо видно, что между двумя проходными переключателями устанавливается перекрестный выключатель, действующий в качестве своеобразного транзитного узла.
Ниже показана схема подключения проходного выключателя, на которой видно соединения всех элементов электрической цепочки управления освещением в распределительной коробке.

Видео, которое мы разместили ниже, несомненно поможет Вам собрать схему подключения трех выключателей в распределительной коробке.
Схема подключения проходного выключателя для управления из 4х мест
Для четырех точек управления потребуется применить комплексную схему распайки, изображенную на рисунке ниже. В таком комплекте используются не только два проходных, но и пара переключателей перекрестного типа.

При рассмотрении варианта управления светильником сразу из 4-х мест потребуются два перекрестных коммутирующих прибора.

При наличии в данном помещении нескольких осветительных групп предпочтение следует отдать двухклавишным выключателям перекрестного типа. Установленные таким образом проходные системы заметно упрощают процедуру управления освещением.
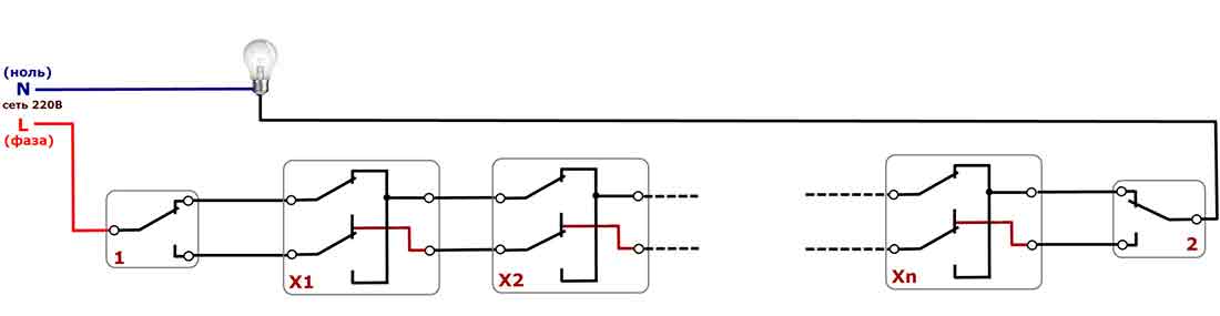
Схема подключения проходного выключателя для управления из 5 мест
Для управление освещением из пяти точек потребуется два проходных выключателя и три перекрестных. Схема подключения будет выглядеть следующим образом:

Схема управления освещением из пяти мест и более с помощью проходных и перекрестных выключателей (1 и 2 — проходные, х1, х2 …хn — перекрестные)
Поиск на сайте
Схема подключения через такой пост предполагает использование слаботочной управляющей проводки, что экономит средства на приобретение дорогостоящих силовых кабелей. Фаза А через КМ1. Установить обозначение напряжения сердечника, которое упоминается на нем, а не на пускателе.

Верх реле оснащен придаточными контактами, объединенными с катушкой. Две пары выводов, нормально замкнутого и разомкнутого контакта. Из названий следует их принцип работы. Управляющая цепь коммутируется между двумя любыми фазами. Параллельно изучая схему найти, например, у магнитного пускателя катушку управления, её контактные вывода. Их последовательно включают в цепь подачи фазы на выход магнитной катушки.

Даже чаще всего на А2 подают фазу, так как для удобства этот контакт выведен еще на нижней стороне корпуса. Тепловое реле обезопасит электрический двигатель от неисправностей и аварийных ситуаций, которые могут возникнуть при пропадании одной из фаз Подключают реле к выводу с магнитным пускателем.
Навигация по записям

Они могут быть размещены как в отдельных корпусах, так и в общем корпусе так называемый кнопочный пост или кнопочная станция. Реверсивный пускатель должен иметь механическую защиту от одновременного включения двух его половин. В таких схемах запуска всегда должна быть защита от одновременного включения кнопок «вперед» и «назад».
Основа пускателя — магнитопровод и катушка индуктивности. Контакты разъединятся, на двигатель М прекратится подача напряжения
Важно чтобы его параметры не были больше заявленных производителем. Реверсивная схема подключения электродвигателя через пускатели В некоторых случаях необходимо обеспечить вращение двигателя в обе стороны
При включении напряжения на катушку магнитного пускателя якорь моментально притягивается к сердечнику, замыкая тем самым силовые контакты и вспомогательные, которые подают в систему управления сигнал о запуске или отключении устройства. При полном опускании якоря, контакты, отбрасываемые пружиной, отключаются Питание катушки управления после подключения магнитного пускателя реализуется от переменного тока, но для этого устройства род тока не имеет значения. Источник питания подключают к контактам, находящимся ниже на корпусе. Отключение питания в автоматическом режиме происходит при падении напряжения размыкаются удерживающие контакты БК или перегрузке срабатывает тепловое реле или предохранитель. Правильное подключение ДХО, загораются после запуска двигателя, форд фокус 2.
Подключение тумблера с подсветкой в сеть:
Подключаются тумблера с подсветкой при помощи автомобильных конвекторов или путём припаивания проводов к их выводам, но это не самое сложное и наверняка всем известно. Но многие начинающие радиолюбители часто не знают, с какой стороны подступится к тумблеру с подсветкой и как его правильно включить.
Во-первых, вам необходимо просто посмотреть по справочнику тип и назначение выводов вашего тумблера. Во-вторых, достаточно просто прозвонить тестером ваш тумблер, что бы понять, что к чему и как размыкается, переключается.
После того как вы выяснили какой вывод за что отвечает главное правильно включать тумблер в вашу цепь рисунок №2.
Рисунок №2 – Правильное включение тумблера с подсветкой в сеть питания (паяльника на пример)
Как видно из рисунка №2 тумблер включён таким образом, что бы разрывать фазовый провод, и так что бы при коммутации цепи (замыкании контакта) загоралась его внутренняя подсветка.
P.S.: Я постарался наглядно показать и описать не хитрые советы. Надеюсь, что хоть что-то вам пригодятся. Но это далеко не всё что возможно выдумать, так что дерзайте, и штудируйте сайт
В магазинах часто можно встретить выключатели, в которые уже встроена подсветка. Однако просто так менять установленный выключатель вряд ли кто-то захочет. Но искать в темноте клавишу на ощупь тоже не всегда удобно.
Известные производители проходных переключателей
Компания Легранд занимает лидирующую позицию на рынке электротоваров. Востребованность проходных выключателей Legrand обусловлена высоким качеством исполнения изделий, простотой монтажа, удобствами в дальнейшей эксплуатации, стильным дизайном и гибкой ценовой политикой. Единственным недостатком является необходимость в подгонке установочного места. Если оно не будет совпадать с изделием, могут возникнуть трудности при его монтаже, который выполняется согласно схеме подключения проходного выключателя Легранд.

Проходные переключатели фирмы Legrand
Дочерним предприятием Легранд является китайская компания Lezard. Однако от родного бренда у изделий остался лишь стильный дизайн. Качество сборки намного ниже, что обусловлено низкой стоимостью продукции.
Одним из ведущих отечественных производителей электротоваров считается компания Wessen, которая является частью фирмы Schneider Electric. Все изделия изготавливаются по новейшим технологиям на современном зарубежном оборудовании и соответствуют европейским стандартам качества. Модели обладают универсальным стильным дизайном, позволяющим вписать каждый элемент в любой интерьер помещения. Отличительной чертой выключателей Wessen является возможность замены декоративной рамки без демонтажа устройства.
Еще одним не менее известным производителем является турецкая компания Viko. Изделия характеризуются высоким качеством исполнения, надежностью и долговечностью, соответствуют требованиям электробезопасности и европейским стандартам качества. При изготовлении корпуса устройства применяется пожаробезопасный прочный пластик, который рассчитан на большое количество циклов работы.

У проходного выключателя, в отличие от обычного, три проводимых провода
Турецкий бренд Makel предлагает качественную, надежную, безопасную и стильную продукцию. Благодаря возможности подключения шлейфа без надобности задействования распределительной коробки, монтаж выключателей становится более простым, а дальнейшая эксплуатация – комфортной и безопасной.
Популярный модельный ряд проходных переключателей
Проходные выключатели Легранд из серии Velena отличаются стильным дизайном и многообразием цветовых вариаций. Здесь представлены одно и двухклавишные изделия, которые имеют пыле- и влагозащитный слой. Купить выключатель можно от 300 р.
В серию Celiane вошли изделия, у которых круговые клавиши вписаны в квадрат. Они могут быть бесконтактными с рычажками или бесшумными. Стоимость переключателей начинается от 700 р. Модельный ряд Exclusive Celiane представлен ограниченным количеством выключателей, выполненных вручную из мрамора, бамбука, фарфора, золота, мирта и других материалов. Рамки выполняются исключительно на заказ. Цена за изделие начинается от 5,9 тыс. р.

Цветовые решения для переключателей из серии Celiane
Самыми популярными сериями выключателей от компании Lezard являются Demet, Mira и Deriy. Здесь представлены изделия, выполненные из негорючего поликарбоната, что соответствует требованиям электробезопасности. Токопроводящие элементы изготовлены из фосфорной бронзы, что характеризуется высокой проводимостью и низким подогревом. Купить проходной одноклавишный выключатель можно от 125 р.
В серии W 59 Frame от Wessen используется модульный принцип, позволяющий установить от 1 до 4 устройств в одну рамку горизонтально или вертикально. Цена изделия составляет 140 р. Отличаются простым дизайном, но высоким качеством исполнения одинарные и двойные проходные выключатели из серии Asfora, купить которые можно за 450 р.
Среди популярных серий компании Makel можно выделить Defne и Makel Mimoza. Корпус устройств выполняется из высококачественного пластика, оснащенный внутренним надежным механизмом. Стоимость изделий начинается от 150 р.

При нажатии кнопки вкл/выкл подвижный контакт проходного выключателя перекидывается из одного контакта на другой, создавая при этом условия для новой цепи в дальнейшем
Принцип работы и установка коммутирующих устройств не представляют существенных сложностей. Необходимо предварительно изучить схему подключения и следовать рекомендациям правил электробезопасности, что даст возможность осуществить надежный и безопасный монтаж устройств, тем самым обеспечит удобное и комфортное управление осветительными приборами в доме.
Как подключить проходной выключатель: видео схемы подключения
https://youtube.com/watch?v=9cG_VmdR4uk
Как монтировать проходной выключатель
Для монтажа данных переключателей первостепенно необходимо выполнить разметку, где будут располагаться будущие выключатели, освещение (точечные светильники, люстры, бра и так далее) и распределительная коробка.
Рекомендуется монтировать выключатели на высоте 90 см от уровня чистого пола и не ближе чем 10–15 см к дверному проему.
После выполнения разметки можно переходить к сверлению отверстий под выключатели и монтажу подрозетников. Для этих целей, в зависимости от материала стен, лучше использовать d65 мм или по гипсокартону d68. Фото можно увидеть далее:

Далее будет необходим штроборез или болгарка с дисками по бетону d150–230. С помощью него необходимо прорезать штробы для последующей закладки в них кабельно-проводниковой продукции.


После того можно сверлить отверстие под распределительную коробку. Для этого подойдет коронка по бетону d110 мм.
Выключатели безопасности
Системы безопасности — очень важное применение переключателей или кнопок. Тут есть два основных применения — аварийные выключатели и выключатели безопасности
Они различаются способом работы и, следовательно, требованиями к механическим и электрическим параметрам. Кроме того они подчиняются ряду стандартов надежности, например, IEC 61508 или IEC 61511.
Кроме того, такой элемент должен эксплуатироваться просто и быстро, чтобы даже в стрессовой ситуации оператор с нарушенными исполнительными функциями или посторонний человек мог активировать его без проблем. Защитные выключатели обычно проектируются так, чтобы их легко заметил даже неподготовленный оператор или посторонний.

Большинство выключателей аварийной остановки имеют съемный защитный барьер для предотвращения случайного срабатывания (например крышка, которую необходимо поднять, или стеклянная пластина которую необходимо разбить перед выключением оборудования).
Итого, переключатели и кнопки отвечают за самую основную деятельность в схеме — управление потоком электричества, они являются ключевыми элементами многих электронных устройств. Выбор подходящих моделей является ключевым аспектом обеспечения их эргономичности и эксплуатационной надежности, а также соответствующего класса безопасности для пользователей.
Форум по обсуждению материала ПЕРЕКЛЮЧАТЕЛИ, ТУМБЛЕРЫ, КНОПКИ
|
|
||
|
|




























